Redukcje rurowe
Redukcje rurowe nierdzewne
- Materiał: stal nierdzewna AISI 304/304L.
- Średnice zewnętrzne: od 38.0 mm do 154.0 mm
- Wykonania specjalne na zamówienie
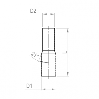
Redukcje rurowe ze stali nierdzewnej - cechy, wymiary
Redukcje rurowe nierdzewne dedykowane do instalacji transportu pneumatycznego wytwarzane są standardowo ze stali nierdzewnej AISI 304/304L (opcjonalnie istnieje możliwość wykonania z materiału AISI 316/316L). Dla mediów abrazyjnych odpowiednie są redukcje rurowe nierdzewne odporne na ścieranie.
Cechy produktu:
- redukcje koncentryczne
- końce wygładzone
Budowa
Redukcje rurowe wykonywane są z dwóch fragmentów ciętych laserowo rur o różnych średnicach, połączonych ze sobą stożkowym odcinkiem pod kątem 21°. Spawanie odbywające się przy pomocy zautomatyzowanych urządzeń gwarantuje trwałość połączenia oraz estetyczny wygląd produktu. Końce po obu stronach redukcji są idealnie wygładzone, co pozwala na dokładne i bezpieczne dopasowanie ich do instalacji. Redukcje posiadają budowę koncentryczną, to znaczy symetryczną względem osi. Wewnętrzna powierzchnia redukcji jest wygładzona, co zapobiega osadzaniu się drobin w trakcie przenoszenia w rurociągu mediów sypkich.
Zastosowanie redukcji rurowych nierdzewnych
Połączenia redukcyjne używane są wszędzie tam, gdzie istnieje potrzeba zmiany średnicy rurociągu na określonym odcinku jego długości. Pozwalają tym samym na łatwe połączenie fragmentów linii przesyłowej o różnych parametrach wymiarowych. Wykonanie ze stali nierdzewnej oraz należyta dokładność w procesie wytwarzania sprawiają, że redukcje te wykorzystywane są w wielu obszarach, między innymi przy produkcji żywności, artykułów paszowych, a także w branży produkcji tworzyw sztucznych lub automotive.
Tabela wymiarów (wykonania podstawowe)
| ŚREDNICA X GRUBOŚĆ ŚCIANKI (D1) | ŚREDNICA X GRUBOŚĆ ŚCIANKI (D2) | L | WAGA |
|---|---|---|---|
| 40.0 x 1.5 mm | 38.0 x 1.5 mm | 150 mm | 0.21 kg |
| 45.0 x 1.5 mm | 38.0 x 1.5 mm | 150 mm | 0.22 kg |
| 45.0 x 1.5 mm | 40.0 x 1.5 mm | 120 mm | 0.18 kg |
| 48.3 x 1.5 mm | 38.0 x 1.5 mm | 200 mm | 0.31 kg |
| 48.3 x 1.5 mm | 40.0 x 1.5 mm | 200 mm | 0.32 kg |
| 50.0 x 1.5 mm | 38.0 x 1.5 mm | 150 mm | 0.24 kg |
| 50.0 x 1.5 mm | 38.0 x 1.5 mm | 200 mm | 0.32 kg |
| 50.0 x 1.5 mm | 40.0 x 1.5 mm | 120 mm | 0.20 kg |
| 50.0 x 1.5 mm | 40.0 x 1.5 mm | 150 mm | 0.24 kg |
| 50.0 x 1.5 mm | 40.0 x 1.5 mm | 200 mm | 0.33 kg |
| 50.0 x 1.5 mm | 45.0 x 1.5 mm | 120 mm | 0.21 kg |
| 50.0 x 1.5 mm | 45.0 x 1.5 mm | 150 mm | 0.26 kg |
| 50.0 x 1.5 mm | 45.0 x 1.5 mm | 200 mm | 0.34 kg |
| 54.0 x 1.5 mm | 38.0 x 1.5 mm | 200 mm | 0.33 kg |
| 54.0 x 1.5 mm | 38.0 x 1.5 mm | 300 mm | 0.50 kg |
| 54.0 x 1.5 mm | 40.0 x 1.5 mm | 150 mm | 0.26 kg |
| 54.0 x 1.5 mm | 40.0 x 1.5 mm | 200 mm | 0.34 kg |
| 54.0 x 1.5 mm | 45.0 x 1.5 mm | 150 mm | 0.27 kg |
| 54.0 x 1.5 mm | 45.0 x 1.5 mm | 200 mm | 0.36 kg |
| 54.0 x 1.5 mm | 50.0 x 1.5 mm | 150 mm | 0.28 kg |
| 54.0 x 1.5 mm | 50.0 x 1.5 mm | 200 mm | 0.38 kg |
| 54.0 x 2.0 mm | 50.0 x 2.0 mm | 200 mm | 0.50 kg |
| 60.3 x 1.5 mm | 38.0 x 1.5 mm | 200 mm | 0.36 kg |
| 60.3 x 1.5 mm | 40.0 x 1.5 mm | 150 mm | 0.28 kg |
| 60.3 x 1.5 mm | 40.0 x 1.5 mm | 185 mm | 0.34 kg |
| 60.3 x 1.5 mm | 40.0 x 1.5 mm | 200 mm | 0.37 kg |
| 60.3 x 1.5 mm | 50.0 x 1.5 mm | 150 mm | 0.30 kg |
| 60.3 x 1.6 mm | 50.0 x 1.5 mm | 200 mm | 0.40 kg |
| 60.3 x 2.0 mm | 38.0 x 1.5 mm | 200 mm | 0.36 kg |
| 60.3 x 2.0 mm | 45.0 x 1.5 mm | 200 mm | 0.38 kg |
| 60.3 x 2.0 mm | 48.3 x 2.0 mm | 200 mm | 0.52 kg |
| 60.3 x 2.0 mm | 50.0 x 1.5 mm | 200 mm | 0.40 kg |
| 60.3 x 2.0 mm | 54.0 x 2.0 mm | 200 mm | 0.42 kg |
| 63.5 x 2.0 mm | 50.0 x 2.0 mm | 150 mm | 0.41 kg |
| 65.0 x 2.0 mm | 40.0 x 2.0 mm | 200 mm | 0.51 kg |
| 65.0 x 2.0 mm | 45.0 x 1.5 mm | 200 mm | 0.53 kg |
| 65.0 x 2.0 mm | 50.0 x 1.5 mm | 200 mm | 0.42 kg |
| 65.0 x 2.0 mm | 54.0 x 2.0 mm | 200 mm | 0.57 kg |
| 65.0 x 2.0 mm | 55.0 x 1.5 mm | 200 mm | 0.44 kg |
| 65.0 x 2.0 mm | 60.3 x 2.0 mm | 150 mm | 0.45 kg |
| 65.0 x 2.0 mm | 60.3 x 2.0 mm | 200 mm | 0.60 kg |
| 70.0 x 2.0 mm | 38.0 x 2.0 mm | 200 mm | 0.52 kg |
| 70.0 x 2.0 mm | 40.0 x 1.5 mm | 300 mm | 0.80 kg |
| 70.0 x 2.0 mm | 45.0 x 1.5 mm | 200 mm | 0.56 kg |
| 70.0 x 2.0 mm | 50.0 x 1.5 mm | 200 mm | 0.51 kg |
| 70.0 x 2.0 mm | 50.0 x 2.0 mm | 200 mm | 0.58 kg |
| 70.0 x 2.0 mm | 54.0 x 2.0 mm | 150 mm | 0.45 kg |
| 70.0 x 2.0 mm | 54.0 x 2.0 mm | 200 mm | 0.60 kg |
| 70.0 x 2.0 mm | 60.3 x 2.0 mm | 200 mm | 0.63 kg |
| 70.0 x 2.0 mm | 63.5 x 2.0 mm | 200 mm | 0.65 kg |
| 70.0 x 2.0 mm | 65.0 x 2.0 mm | 200 mm | 0.65 kg |
| 76.1 x 2.0 mm | 38.0 x 1.5 mm | 250 mm | 0.69 kg |
| 76.1 x 2.0 mm | 40.0 x 1.5 mm | 250 mm | 0.71 kg |
| 76.1 x 2.0 mm | 45.0 x 1.5 mm | 250 mm | 0.73 kg |
| 76.1 x 2.0 mm | 48.3 x 2.0 mm | 250 mm | 0.75 kg |
| 76.1 x 2.0 mm | 50.0 x 1.5 mm | 200 mm | 0.53 kg |
| 76.1 x 2.0 mm | 50.0 x 2.0 mm | 250 mm | 0.76 kg |
| 76.1 x 2.0 mm | 54.0 x 2.0 mm | 250 mm | 0.79 kg |
| 76.1 x 2.0 mm | 60.3 x 2.0 mm | 120 mm | 0.40 kg |
| 76.1 x 2.0 mm | 60.3 x 2.0 mm | 150 mm | 0.50 kg |
| 76.1 x 2.0 mm | 60.3 x 2.0 mm | 200 mm | 0.66 kg |
| 76.1 x 2.0 mm | 63.5 x 2.0 mm | 120 mm | 0.41 kg |
| 76.1 x 2.0 mm | 65.0 x 2.0 mm | 200 mm | 0.68 kg |
| 76.1 x 2.0 mm | 65.0 x 2.0 mm | 300 mm | 1.02 kg |
| 76.1 x 2.0 mm | 70.0 x 2.0 mm | 200 mm | 0.71 kg |
| 80.0 x 2.0 mm | 40.0 x 1.5 mm | 350 mm | 1.01 kg |
| 80.0 x 2.0 mm | 45.0 x 1.5 mm | 350 mm | 1.06 kg |
| 80.0 x 2.0 mm | 50.0 x 1.5 mm | 300 mm | 0.95 kg |
| 80.0 x 2.0 mm | 50.0 x 2.0 mm | 300 mm | 0.95 kg |
| 80.0 x 2.0 mm | 54.0 x 2.0 mm | 300 mm | 0.97 kg |
| 80.0 x 2.0 mm | 60.3 x 2.0 mm | 200 mm | 0.68 kg |
| 80.0 x 2.0 mm | 65.0 x 2.0 mm | 200 mm | 0.71 kg |
| 80.0 x 2.0 mm | 70.0 x 2.0 mm | 200 mm | 0.73 kg |
| 80.0 x 2.0 mm | 76.1 x 2.0 mm | 200 mm | 0.76 kg |
| 84.0 x 2.0 mm | 60.3 x 2.0 mm | 250 mm | 0.88 kg |
| 84.0 x 2.0 mm | 70.0 x 2.0 mm | 250 mm | 0.93 kg |
| 84.0 x 2.0 mm | 76.1 x 2.0 mm | 250 mm | 0.97 kg |
| 84.0 x 2.0 mm | 80.0 x 2.0 mm | 250 mm | 0.99 kg |
| 88.9 x 2.0 mm | 60.3 x 2.0 mm | 300 mm | 1.09 kg |
| 88.9 x 2.0 mm | 65.0 x 2.0 mm | 300 mm | 1.12 kg |
| 88.9 x 2.0 mm | 70.0 x 2.0 mm | 300 mm | 1.16 kg |
| 88.9 x 2.0 mm | 76.1 x 2.0 mm | 300 mm | 1.20 kg |
| 88.9 x 2.0 mm | 80.0 x 2.0 mm | 300 mm | 1.23 kg |
| 88.9 x 2.0 mm | 84.0 x 2.0 mm | 300 mm | 1.26 kg |
| 100.0 x 1.5 mm | 50.0 x 1.5 mm | 300 mm | 0.82 kg |
| 100.0 x 1.5 mm | 65.0 x 2.0 mm | 300 mm | 1.02 kg |
| 100.0 x 1.5 mm | 70.0 x 2.0 mm | 300 mm | 1.06 kg |
| 100.0 x 1.5 mm | 80.0 x 2.0 mm | 300 mm | 1.13 kg |
| 100.0 x 1.5 mm | 88.9 x 2.0 mm | 300 mm | 1.20 kg |
| 101.6 x 2.0 mm | 60.3 x 2.0 mm | 300 mm | 1.18 kg |
| 101.6 x 2.0 mm | 63.5 x 2.0 mm | 300 mm | 1.20 kg |
| 101.6 x 2.0 mm | 65.0 x 2.0 mm | 300 mm | 1.21 kg |
| 101.6 x 2.0 mm | 70.0 x 2.0 mm | 300 mm | 1.25 kg |
| 101.6 x 2.0 mm | 76.1 x 2.0 mm | 300 mm | 1.29 kg |
| 101.6 x 2.0 mm | 80.0 x 2.0 mm | 300 mm | 1.32 kg |
| 101.6 x 2.0 mm | 84.0 x 2.0 mm | 300 mm | 1.35 kg |
| 101.6 x 2.0 mm | 88.9 x 2.0 mm | 300 mm | 1.39 kg |
| 104.0 x 2.0 mm | 54.0 x 2.0 mm | 300 mm | 1.15 kg |
| 104.0 x 2.0 mm | 60.3 x 2.0 mm | 300 mm | 1.19 kg |
| 104.0 x 2.0 mm | 70.0 x 2.0 mm | 300 mm | 1.27 kg |
| 104.0 x 2.0 mm | 76.1 x 2.0 mm | 300 mm | 1.31 kg |
| 104.0 x 2.0 mm | 80.0 x 2.0 mm | 300 mm | 1.34 kg |
| 104.0 x 2.0 mm | 84.0 x 2.0 mm | 300 mm | 1.37 kg |
| 104.0 x 2.0 mm | 88.9 x 1.5 mm | 300 mm | 1.25 kg |
| 104.0 x 2.0 mm | 88.9 x 2.0 mm | 300 mm | 1.41 kg |
| 104.0 x 2.0 mm | 100.0 x 1.5 mm | 300 mm | 1.31 kg |
| 104.0 x 2.0 mm | 101.6 x 2.0 mm | 300 mm | 1.50 kg |
| 114.3 x 2.0 mm | 65.0 x 2.0 mm | 300 mm | 1.31 kg |
| 114.3 x 2.0 mm | 80.0 x 2.0 mm | 300 mm | 1.42 kg |
| 114.3 x 2.0 mm | 88.9 x 2.0 mm | 200 mm | 0.99 kg |
| 114.3 x 2.0 mm | 88.9 x 2.0 mm | 300 mm | 1.48 kg |
| 114.3 x 2.0 mm | 100.0 x 1.5 mm | 300 mm | 1.39 kg |
| 114.3 x 2.0 mm | 101.6 x 2.0 mm | 200 mm | 1.05 kg |
| 114.3 x 2.0 mm | 104.0 x 2.0 mm | 200 mm | 1.06 kg |
| 114.3 x 2.0 mm | 104.0 x 2.0 mm | 300 mm | 1.60 kg |
| 114.3 x 2.0 mm | 108.0 x 2.0 mm | 300 mm | 1.63 kg |
| 129.0 x 2.0 mm | 84.0 x 2.0 mm | 400 mm | 2.08 kg |
| 129.0 x 2.0 mm | 88.9 x 2.0 mm | 400 mm | 2.12 kg |
| 129.0 x 2.0 mm | 104.0 x 2.0 mm | 300 mm | 1.71 kg |
| 129.0 x 2.0 mm | 104.0 x 2.0 mm | 400 mm | 2.27 kg |
| 129.0 x 2.0 mm | 114.3 x 2.0 mm | 200 mm | 1.19 kg |
| 129.0 x 2.0 mm | 114.3 x 2.0 mm | 250 mm | 1.49 kg |
| 129.0 x 2.0 mm | 114.3 x 2.0 mm | 300 mm | 1.78 kg |
| 154.0 x 2.0 mm | 104.0 x 2.0 mm | 300 mm | 1.89 kg |
| 154.0 x 2.0 mm | 104.0 x 2.0 mm | 450 mm | 2.84 kg |
| 154.0 x 2.0 mm | 114.3 x 2.0 mm | 450 mm | 2.95 kg |
| 154.0 x 2.0 mm | 129.0 x 2.0 mm | 300 mm | 2.08 kg |
| 154.0 x 2.0 mm | 129.0 x 2.0 mm | 450 mm | 3.17 kg |
| 154.0 x 2.0 mm | 139.7 x 2.0 mm | 450 mm | 3.24 kg |